同步相量测量装置功能知识介绍
2022-11-18 乐竞体育在线注册,乐竞体育(中国)
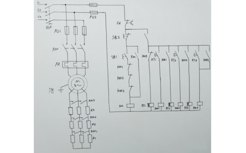
绕线转子异步电动机转子串电阻启动电路解析
2022-11-17 乐竞体育在线注册,乐竞体育(中国)
EPKS系统简单AI点的组态分享
电气开关设备的智能化知识介绍分享
机械密封漏液的原因及水泵漏液的解决办法
2022-11-16 乐竞体育在线注册,乐竞体育(中国)
液压扳手同步水泥磨辊压机锁紧盘螺栓紧固
空气绝缘开关柜知识介绍分享
冶金余热回收设备螺栓安装预紧选用KWZK乐竞体育在线注册,乐竞体育(中国)液压力矩扳手
2022-11-15 乐竞体育在线注册,乐竞体育(中国)