行业知识

  • 矿井提升机控制系统故障处理知识分享

    矿井提升机控制系统故障处理知识分享

    2022-04-28 乐竞体育在线注册,乐竞体育(中国)设备

  • 配电室绝缘垫的技术要求规范知识分享

    配电室绝缘垫的技术要求规范知识分享

    2022-04-28 乐竞体育在线注册,乐竞体育(中国)电气

  • 直流串电与直流接地故障判断与简单查找方法知识

    直流串电与直流接地故障判断与简单查找方法知识

    2022-04-28 乐竞体育在线注册,乐竞体育(中国)电气

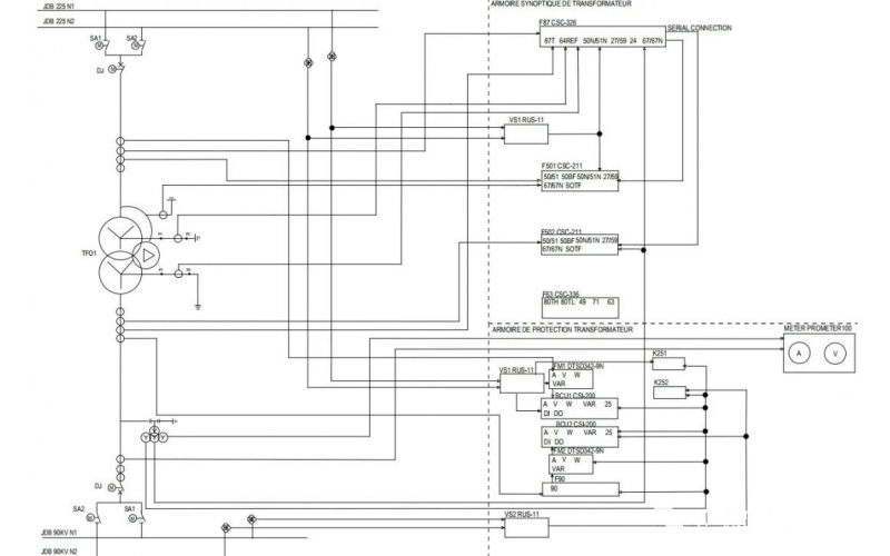
  • 变压器间隔使用225kv母线电压与90kv母线实现检同期的研究知识

    变压器间隔使用225kv母线电压与90kv母线实现检同期的研究知识

    2022-04-28 乐竞体育在线注册,乐竞体育(中国)电气

  • KS-BJ系列温度传感器温度计表插深原则知识分享

    温度计套管的插入深度应保证测温元件的端点位于被测介质温度变化的灵敏区域。在管道内安装时,插入深度宜位于管道直径的1/3到1/2处,并且应至少插入管道内50mm;在容器内安装时,插入深度距容器内壁宜至少150mm,但对于带有搅拌器的容器插入深度可适当缩短。

    2022-04-27 乐竞体育在线注册,乐竞体育(中国)自控

  • JKN-200系列浮筒液位计知识解析

    工作原理: 浸在液体中的浮筒受到向下重力,向上的浮力和向上的扭力管扭力的作用。当这三个力平衡时,浮筒就静止在某一位置。因为扭力管扭力的不同对带动扭芯转过不同的角度,经过角度传感器感知角度的变化来显示测量液(界)位的高度。

    2022-04-27 乐竞体育在线注册,乐竞体育(中国)自控

  • 锅炉减温器隐患排查及治理知识分享

    再热蒸汽喷水减温器是蒸汽侧调节再热汽温的主要调温设备, 蒸汽侧再热汽温调节通过向再热蒸汽中直接喷入冷却水,使之蒸发为水蒸汽并与再热蒸汽良好混合以达到降低蒸汽温度的目的,是电站锅炉运行时不可缺少的辅助调温手段。若喷水减温器发生喷管断裂事故,则严重威胁锅炉设备的安全运行。下面就以一起我公司近期检查发现的再热微量喷水减温器喷管断裂案例进行介绍。

    2022-04-27 乐竞体育在线注册,乐竞体育(中国)设备

  • 锅炉运行分析经验知识分享

    运行分析就是以机组的安全经济运行为主要目标,根据所掌握的技术资料,运用科学的方法,针对设备(或系统)运行中的各项参数变化来分析设备(或系统)的安全经济性能及其发展变化规律,从而及早发现设备(或系统)的异常及事故隐患,或找出设备(或系统)的最佳启停方案以及最佳运行工况。 运行分析是运行值班人员掌握设备性能及其薄弱环节、掌握事故发生的变化规律,确保安全生产、提高安全意识和岗位运行技术素质的重要措施。通过运行分析,可以了解发生异常的前因后果,做好事故预想,防范可能发生的事故,也为检修部门处理异常缺陷提供方便。

    2022-04-27 乐竞体育在线注册,乐竞体育(中国)设备

首页
产品
新闻
联系