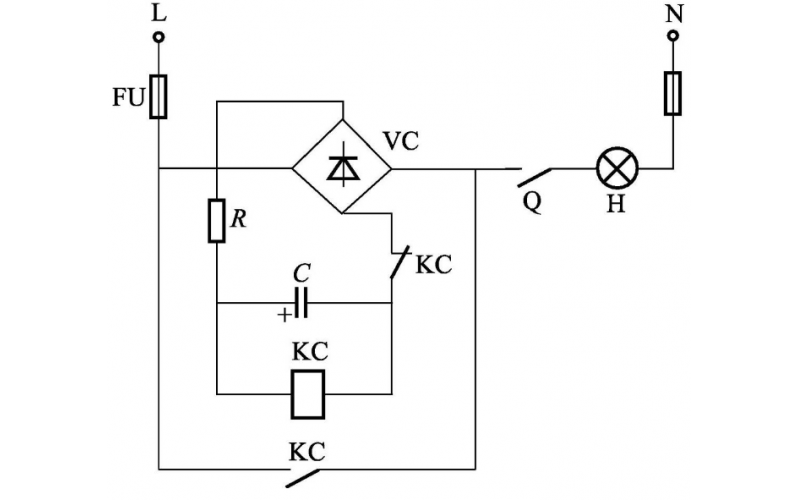
怎样用中间继电器控制的闪光信号灯电路是?
2023-07-14 KWZK
什么是汽轮机挂闸?图文来解密
2023-07-13 KWZK
关于仪表测量的这些知识要点,你掌握了吗?
压缩机等动设备检修知识大全分享
中间继电器和继电器模组有什么区别?哪个接线更方便?
2023-07-12 KWZK
何为一次调频功能,一次调频和二次调频有区别?
变压器合闸涌流的产生及剩磁对其的影响?
又一个奇怪的电力故障录波波形
2023-07-11 乐竞体育在线注册,乐竞体育(中国)